DB-H1试块-DB-H2试块

中华人民共和国专业标准试块,DB-H1试块DB-H2试块


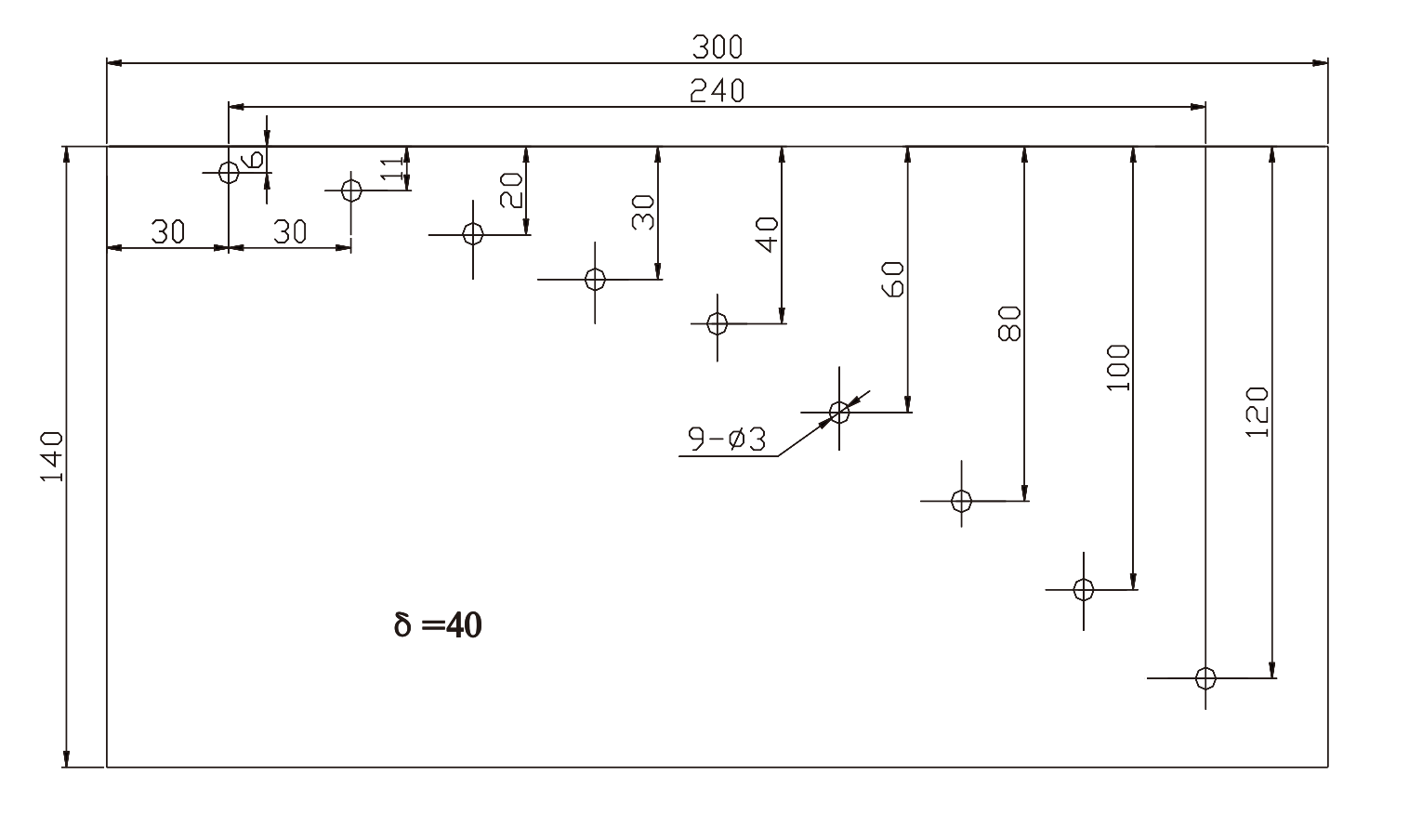
DB-H1试块

山东瑞祥试块

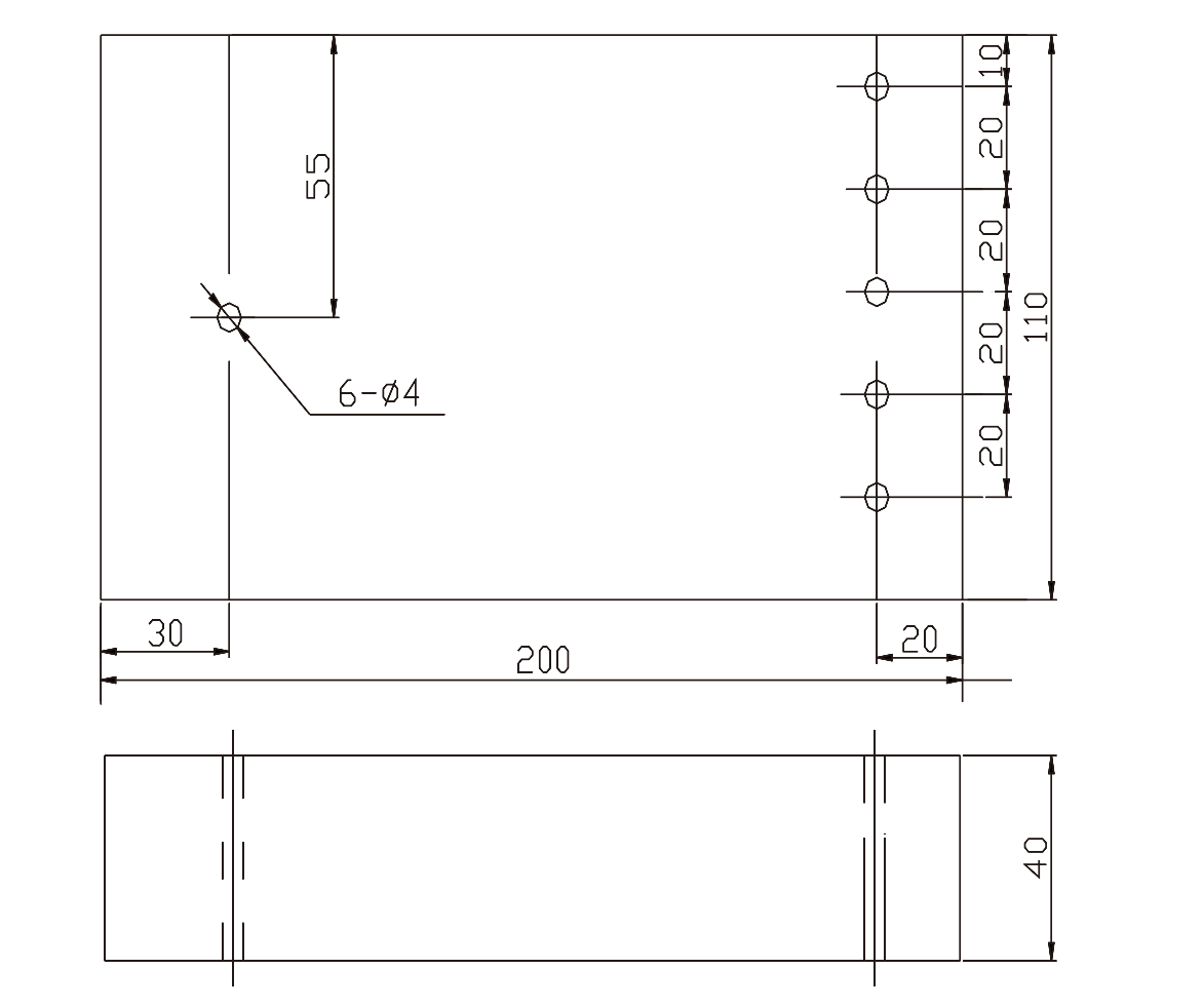
DB-H2试块

山东瑞祥试块



电话咨询
邮件咨询
在线地图
QQ客服