对比参考试块

标准试块|4A测厚阶梯试块标准厚度块|GHF试块4|GZ试块5|半圆试块SH-16|模拟试块H-30|模拟试块H-50|模拟试块H-807|灵敏度试块CS-1|灵敏度试块A1|灵敏度试块A2|对比试块DZ-1|盲区试块|微盲区试块STM-1、 STM-2|水平线性试块1-3#|分辨力试块|射线阶梯试块|提升力试块|A型便携式相控阵试块|B型便携式相控阵试块||


1、GB/T11344-2008标准试块


火马电竞平台官网司|试块

火马电竞平台官网司|试块

火马电竞平台官网司|试块


2、JJF 1126-2004超声波测厚仪校准规范试块

火马电竞平台官网司|试块

火马电竞平台官网司|试块



3、GHF试块

火马电竞平台官网司|试块

火马电竞平台官网司|试块



4、GZ试块

火马电竞平台官网司|试块

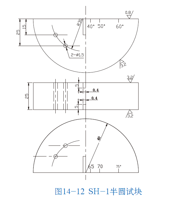
5、半圆试块SH-1

火马电竞平台官网司|试块

6、模拟试块H-30、模拟试块H-50、模拟试块H-80


火马电竞平台官网司|试块

7、灵敏度试块CS-1

主要用于测定直探头和仪器组合的灵敏度余量,调节探伤灵敏度,确定缺陷大小及测定仪器的垂直线性等性能指标及形状。尺寸和形状如下图表:

火马电竞平台官网司|试块

8、灵敏度试块A1

火马电竞平台官网司|试块

9、灵敏度试块A2

火马电竞平台官网司|试块

10、对比试块DZ-1

火马电竞平台官网司|试块

11、盲区试块

火马电竞平台官网司|试块

12、直流环形标准试块(磁探专用B型试块)

火马电竞平台官网司|试块


13、E型试块(交流专用)


火马电竞平台官网司|试块

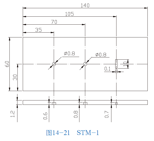
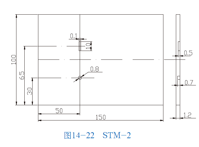
14、微盲区试块STM-1、 STM-2

火马电竞平台官网司|试块

火马电竞平台官网司|试块

15、水平线性试块1-3#

火马电竞平台官网司|试块


16、分辨力试块

火马电竞平台官网司|试块


17、射线阶梯试块

火马电竞平台官网司|试块


18、提升力试块


火马电竞平台官网司|试块

19、A型便携式相控阵试块

火马电竞平台官网司|试块


20、B型便携式相控阵试块

火马电竞平台官网司|试块



电话咨询
邮件咨询
在线地图
QQ客服