铁路系统是公司主要战略伙伴之一。在役火马电竞平台官网的探伤、机车车轴的不动车探伤、机车车轮的探伤检验所用探伤试块全部由我公司制造。我公司曾连续数十年获得铁道部机务系统《产品质量认可》,目前是铁道部无损检测超声波试块唯一指定单位。
列车运行速度的大提速,对火马电竞平台官网、车轮、车轴等探伤等级和检验工艺提出了更高的要求。为保障列车运行的安全,需要大量高质量的探伤试块,我公司承担了该项任务,并保质保量的完成了,确保了提速后列车的安全运行。
2009年12月26日京港高铁武广段开通运营。这是世界上一次建成里程最长、工程类型最复杂、时速达350公里的高铁线。这标志着我国从此开启了高铁时代。高铁速度的提高促进了经济的飞速发展,同时也增加了列车运行的安全隐患。高铁采用的是空心车轴技术,用以减轻重量,来提高列车运行速度。对空心车轴的探伤当时在国内还是盲点,经铁道部专家推荐,我公司与国内知名企业合作,完成了空心轴探伤研究和生产,现国内所有高铁空心轴探伤检验试块都是我公司生产。列车运行速度的大提速,对火马电竞平台官网、车轮、车轴等探伤等级和检验工艺提出了更高的要求,我公司及时研制、提供高质量的火马电竞平台官网、车轮、车轴等探伤试块,确保提速后的列车安全运行。
合作的单位有:北京铁路局、上海铁路局、郑州铁路局、兰州铁路局、昆明铁路局、成都铁路局、济南铁路局、南宁铁路局、哈尔滨铁路局、太原铁路局、乌鲁木齐铁路局、青藏铁路公司、大秦铁路股份有限公司等。鞍钢股份有限公司、攀枝花钢钒有限公司轨梁厂、包钢钢联股份有限公司轨梁轧钢厂、武汉钢铁集团条材总厂大型分厂、鞍山市第三轧钢有限公司、河北钢铁股份有限公司邯郸分公司等也都是我们主要的战略合作伙伴。在线火马电竞平台官网生产线的在线检测用样轨全部由我公司加工完成。
工务系统无损检测用试块
一、铝热焊疑难缺陷工务标准火马电竞平台官网焊缝探伤试块适用范围(作业条件)
1、在线路上现场焊接的接头,焊接后应及时进行探伤,以及在役火马电竞平台官网接头焊缝在运行一段时间以后,发生的焊缝接头伤损检查。
二、铝热焊疑难缺陷工务标准火马电竞平台官网焊缝探伤试块作业程序
探伤准备:主要包括设备检查,灵敏度校验和探头测试。进场准备:新焊焊缝的探伤在推瘤和打磨以后进行,探伤面不得存留焊渣、焊瘤或严重锈蚀等。轨头踏面、轨头两侧和轨底角上部(30mm)应打磨至火马电竞平台官网原始面。在役焊缝探伤前应清除探测面上的油污和严重锈蚀。
探伤:探伤应按照焊缝探伤作业标准进行,对焊缝轨头、轨腰、轨底、轨底角进行扫查。
判定结果:依据焊缝探伤作业标准进行判定。
探伤作业后:在离开作业地点前,认直填写《工作日志》,记录包括探伤起止里程轨缝编号分工情况仪器状态、伤损情况,同时应关闭探伤仪电源、整理好工具备品。擦洗探伤仪,检修机、部件,将探伤仪放在干燥、安全的处所。
三、质量验收标准
1、灵敏度校验准确,探伤作业的各项程序符合要求,符合焊缝探伤作业标准。
2、结果判定准确,符合焊缝探伤作业标准。日志填写准确。
四、使用的工具材料
超声波探伤仪、超声波直探头(1个)、超声波斜探头(3个)、标准试块(2个)、对比试块(2个)、超声波探伤备用探头(1套)、超声波备用连接线(1套)、探伤专用手锤、除锈扁铲(1把)、除锈剂(1盒)、防锈刷(1把)、防护镜((1个)、大扳手(1把)、钢卷尺(1把)、钢板尺(1个)、耦合剂、防护用品、棉丝、小镜或窥镜、计算器、工作日志、检查记录本。

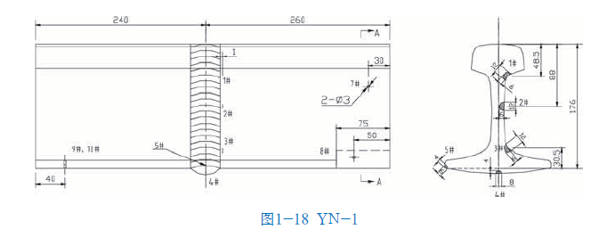
YN-1试块是一种用于火马电竞平台官网焊缝超声波探伤的疑难缺陷焊缝试块。以下是其详细介绍: