金属材料铸造缺陷

2023-02-16 11:13:46

金属材料铸造缺陷



1、偏析

偏析——在铸件中出现化学成分不均匀的现象。偏析使铸件的性能不均匀,严重时会造成废品。
晶内偏析(又称枝晶偏析)——是指晶粒内各部分化学成分不均匀的现象,是微观偏析的一种。凡形成固溶体的合金在结晶过程中,只有在非常缓慢的冷却条件下,使原子充分扩散,才能获 得化学成分均匀的晶粒。在实际铸造条件下,合金的凝固速度较快,原子来不及充分扩散,这样按树枝状方式长大的晶粒内部,其化学成分必然不均匀。为消除晶内偏析,可把铸件重新加热到高温,并经长时间保温,使原子充分扩散。这种热处理方法称为扩散退火。
密度偏析(旧称比重偏析)——是指铸件上、下部分化学成分不均匀的现象,是宏观偏析的一种。当组成合金元素的密度相差悬殊时,待铸件完全凝固后,密度小的元素大都集中在上部,密度大的元素则较多地集中在下部。为防止密度偏析,在浇注时应充分搅拌或加速金属液冷却,使不同密度的元素来不及分离。

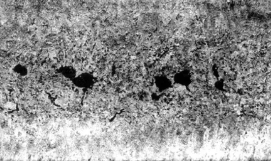
偏析金像组织图1:

山东瑞祥试块

图1、边部灰色处为反偏析区



2、气孔

金属在凝固过程中,气体的溶解度急剧降低,在戮度很大的固态金属中难以逸出而滞留于熔体内形成气孔。与缩孔缩松的形态不同,气孔一般呈圆形、椭圆形或长条形,单个或成串状分布,内壁光滑。孔内常见气体有H2、CO、H2O、CO2等。按气孔在铸锭中出现的位置分为内部气孔、皮下气孔和表面气孔。气孔的存在减少了铸锭的有效体积和密度,经加工后虽可被压缩变形,但难以焊合,结果造成产品的起皮、起泡、针眼、裂纹等缺陷。

气孔形态金相组织见图2

山东瑞祥试块

图2 浇铸时由模底和模壁产生的气体来不及逸出而沿结晶方向形成气孔



3、缩孔与缩松

金属在凝固过程中,发生体积收缩,熔体不能及时补充,而在最后凝固的地方出现收缩孔洞,称为缩孔或缩松。容积大而集中的缩孔称为集中缩孔,细小而分散的缩孔称为缩松,其中出现在晶界和枝晶间借助于显微镜观察的缩松称为显微缩松。

缩孔表面多参差不齐,近似锯齿状,晶界和枝晶间的缩孔多带棱角 , 有些缩孔常为析出的气体所充填,孔壁较平滑,此时的缩孔也是气孔,缩孔内往往伴生低熔点物。

缩孔均出现在断面的中心区。位于头部的缩孔多呈锥形,内表面参差不齐或 有粗大的结晶组织。位于中部的断续缩孔多为形状不规则的大小孔洞,内部有时会充有金属凝固时析出的气体,表面较光滑,在以后的加工中往往难以焊合而形成分层和气泡。缩孔的附近还易造成应力集中而在加工中产生裂纹。

缩松常分布于断面的中心附近或整个断面,有时出现在缩孔附近,呈细小分散的孔洞分布于晶界或枝晶间隙。有些细小的缩松肉眼难以发现,仅借助于显微镜或水压试验才能察觉。疏松造成金属组织的不致密,因而大大降低合金的机械性能和抗蚀能力。

缩孔和缩松区域的大小与合金的凝固收缩系数,金属液体的流动性,结晶温度范围的宽窄,铸锭的断面尺寸、浇铸温度以及凝固条件等因素有关。合金的凝固收缩系数愈大,铸锭断面的尺寸愈大,缩孔将愈严重。合金的结晶温度范围越窄,流动性越好,则缩孔越集中;反之如合金的结晶温度越宽,凝固时的结晶过渡带越宽,则愈易形成缩松。

缩孔与缩松产生的主要原因有:熔炼工艺不合理,浇铸温度较低,补缩不良,断流;冷却强度较大,浇铸速度快;结晶器设计不合理,保温帽太低、潮湿;合金结晶温度范围宽,流动性差等。

缩孔与缩松形态金相组织见图3、图4。

山东瑞祥试块

图3:铸造终了时补缩不良而在头部形成缩孔,缩孔内有气体未得逸出

山东瑞祥试块

图4: 横截面存在分散缩孔,周围并伴生缩松及小裂纹


4夹杂


与基体有明显分界面,性能相差悬殊的金属或非金属物称为夹杂。

按夹杂的性质可分金属夹杂和非金属夹杂两类。金属夹杂指不溶于基体金属的各种金属化合物初晶及未熔化完的高熔点纯金属颗粒以及外来异金属;非金属夹杂包括氧化物、硫化物、碳化物、熔剂、熔渣、涂料、炉衬碎屑以及硅酸盐等。

按夹杂来源的不同可分内生夹杂与外生夹杂。内生夹杂可能以游离状态或与基体金属结合成化合物的状态存在,也可能是多种杂质的互相结合。

内生夹杂中先析出的高熔点金属化合物初晶或纯金属多呈规则的颗粒状、块状、片状或针状,分布极不均匀。而低熔点金属化合物则常沿晶界或枝晶轴间析出呈液珠状、球状、网络状或薄膜状等。压力加工时,塑性良好的夹杂可沿加工方向拉长变形,塑性不良的夹杂仍保持铸造时形态或破碎成更小的颗粒,呈断续的链状沿加工方向分布。

外来夹杂是在生产过程中从炉衬、工具上的剥落物,通常较粗大而形状不定。由于与基体有完全不同的化学组成和组织,因而在折断口或切削加工时即可根据不同的色泽与受蚀情况被发现。

钢铁中非金属夹杂物形态见图5


山东瑞祥试块

图5   钢铁中非金属夹杂物



5、裂纹


金属在凝固过程中产生的裂纹称为热裂纹;凝固后产生的裂纹称为冷裂纹。裂纹破坏了金属的完整性,除少数可通过及时加工除去外,通常在以后的加工和 使用过程中会沿着应力集中区域进一步扩大,最后导致破裂。

热裂纹是在铸锭尚未完全凝固或虽已凝固而晶界和枝晶间尚有少量低熔点相时,因金属液态、固态收缩及凝固收缩受到阻碍,当收缩应力超过了当时的金属强度或线收缩大于合金延伸率时形成的。按出现的部位不同,热裂纹可分为表面裂纹、中心裂纹、放射状裂纹及侧面横裂纹等。热裂纹多沿晶界扩展,曲折而不规则,常出现分枝,裂纹内可能夹有氧化膜或表面略带氧化色。

影响热裂纹的因素有合金的本性(合金的凝固收缩系数和高温强度等),浇注工艺和铸锭结构等方面。合金中某些元素及不溶性的低熔点杂质能明显增大热裂倾向。半连续铸锭的冷却速度较大因而比铁模铸锭热裂倾向大得多,铸造中加大铸造速度也会增大热裂倾向,从铸锭结构看,截面尺寸越大,则愈易发生热裂。

冷裂纹是在铸锭冷却到温度较低的弹性状态时,若锭坯内外还存在较大的温差,则收缩应力可能集中于某些薄弱区域。一旦应力超过了金属的强度和塑性极限,铸锭将出现冷裂。冷裂纹的特征是多呈穿晶开裂,多呈直线扩展,裂纹较规则、挺拔平直。冷裂纹往往由热裂纹发展而来。

铸造裂纹产生的直接原因是存在铸造应力,引起的因素有:铸造温度不合适,速度快,冷却速度过大或过小,冷却不均匀;连铸拉停工艺不当;合金本身有热脆性,强度差;覆盖剂或润滑剂选择不合理;结晶器、坩埚、托座、浇铸管等设计不良,变形或安装不当。

铸造中冷热裂纹如图6、图7:

山东瑞祥试块

因铸造速度过快引起的中心热裂纹

山东瑞祥试块

内部应力冷裂纹


6、冷隔

铸锭表面出现折皱或层叠状的缺陷,或者内部出现金属不连续现象统称冷隔。
冷隔的铸锭外表面不平整,层与层之间不连续,横断面分层,中间往往有氧化膜并伴生气孔等缺陷。
冷隔按形态可分折皱式和层叠式两种。当浇铸温度较低,金属液面产生的薄膜凝壳未能与后来浇入的金属熔合,便产生折皱式冷隔。层叠式冷隔较为多见,这是由于金属液的静压力大于金属的表面张力和氧化膜的强度,金属液冲破氧化膜而进入结晶器壁,但强烈地冷却使金属的流动性很快降低,结果不能与氧化膜凝壳熔合而形成层叠式冷隔。
冷隔按出现的部位不同分表面冷隔、皮下冷隔和中心冷隔。
冷隔产生的原因:浇铸温度低,冷却水压高,浇速不稳定,液面波动大,中间断流,补缩不良是形成冷隔的重要因素;严重的表面冷隔向铸锭内延伸,还引起皮下冷隔;结晶器内壁结构设计不合理,选材不当等也能导致冷隔的出现。
冷隔是铸锭常见缺陷之一,影响金属表面和内部的完整性,且会影响加工和 使用,严重时引起加工裂纹和其他表面缺陷。
冷隔缺陷形态如图8所示。

山东瑞祥试块


中心冷隔

7、晶粒不均

铸锭不同部位晶粒大小差异较大的现象称为晶粒不均。

常见的有:扁锭结晶中心线偏离中心,两侧粗大柱状晶,方向相差较大,柱状晶扭曲,方向紊乱;圆锭偏心严重,局部粗大柱状晶,局部晶粒细小;悬浮晶或其他异常粗大晶粒。

产生的主要原因:结晶器内壁粗糙,结晶器变形,润滑油涂料分布不匀;冷却强度差异较大,冷却水分流不均,射角不合理,方向紊乱;浇铸时间长,浇温低,冷却缓慢等。

典型晶粒不均如图9所示

山东瑞祥试块

晶粒严重不均匀,结晶方向絮乱



8、其他表面缺陷

铸锭常见的表面缺陷还有:疤痕、麻面、麻坑、毛刺、纵向条痕,横向竹节等。

1、麻面

铸锭表面的各种不平整现象称为麻面。

麻面上常有颗粒状凸起和砂眼,并伴生有涂料、覆盖剂、氧化物等污物。产生的主要原因是铸造温度低、速度慢;结晶器内壁不光滑或覆盖剂不良;漏斗堵塞等。

2、毛刺

铸锭表面、边角、出现尖锐状金属凸起现象称为毛刺。

产生的主要原因是结晶器内壁不光滑;空心铸坯连铸芯杆质量不好。

3、纵向条痕

铸锭表面呈连续或断续的纵向条状凸起或凹陷称为纵向条痕

产生的主要原因是结晶器内壁钻有金属或其他氧化物或其上产生磨损的凹槽;内衬装配缝隙较大。

4、竹节

具有拉停工艺的连铸坯,表面出现较大的周期性的凹凸现象称为竹节。

产生的主要原因是拉停工艺不当或者结晶器、模具变形。



电话咨询
邮件咨询
在线地图
QQ客服