JIS-STB-A3 日本标准试块

JIS-STB-A3是日本的一种超声检测标准试块,执行JIS Z 2345:2000标准。主要用于调整超声检测设备的工作灵敏度和测试范围.
  • 标准: 日本标准 JIS Z 2345:2000


JIS-STB-A3是日本的一种超声检测标准试块,执行JIS Z 2345:2000标准。其相关信息如下:

  • 用途:主要用于调整超声检测设备的工作灵敏度和测试范围,以及测量斜探头的折射角和探头指数,为超声检测提供统一的标准和参考,确保检测结果的准确性和可靠性。

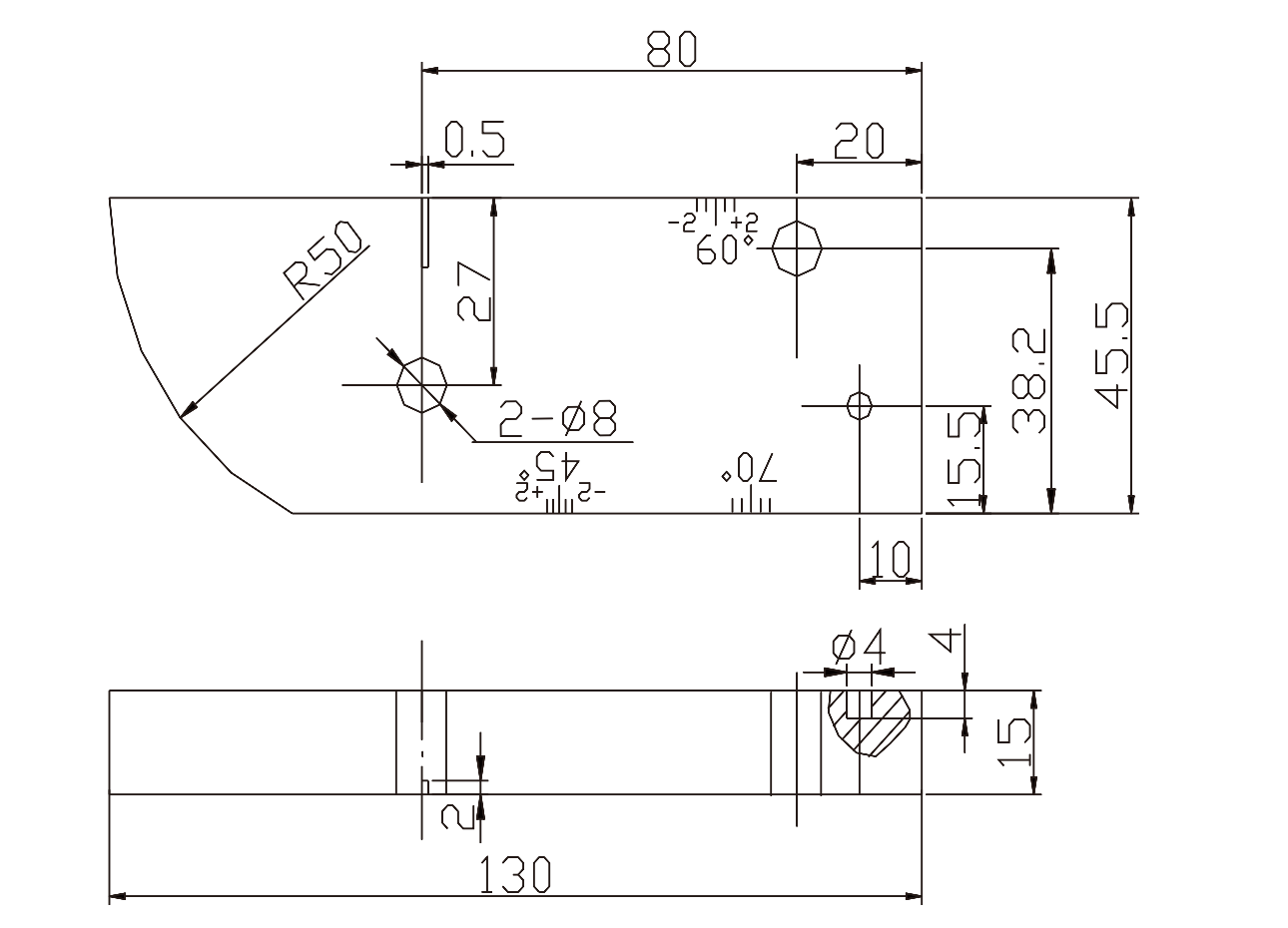
  • 材料与规格:通常采用1018钢制作,并进行镀镍处理。试块尺寸为15mm×45.5mm×130mm

  • 相关试块:属于STB-A3系列的还有STB-A31STB-A32STB-7963等试块,它们在超声检测中也各自有着特定的用途和作用。

山东瑞祥试块

JIS-STB-A3 日本标准试块


电话咨询
邮件咨询
在线地图
QQ客服