中华人民共和国国家标准试块
(一)、GB/T 18852-2002
1,HS半圆阶梯试块(HS试块),尺寸如图2-5所示。使用时,应将试块置于适当的木架上。 作为支撑物的木架既不能有损于试块,也不能产生任何阻尼。
2,SDH横孔试块,尺寸和形状如图2-6所示。仅在用试块调整纵波直探头探伤灵敏度时才使用。纵波直探头探伤允许采用ゅ3,4,ゅ6当量平底孔三种灵敏度。


1,铸钢试块 ZGZ,适用的铸钢材料是铸造碳钢和低合金钢,其超声衰减系数应与被探伤钢件材料的衰减系数相同或相近。 不适用于奥氏体不锈钢铸件的检测,适用的厚度范围是30mm以上。ZGZ系列对比试块


2.铸钢件超声纵波双晶探头探伤用对比试块ZGS.形状和尺寸如图2-8所示。


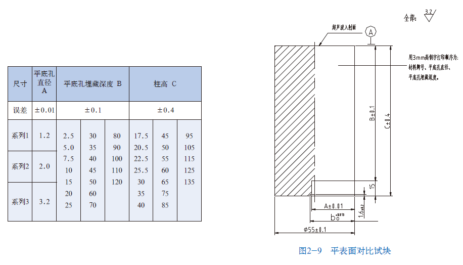
本标准选用平表面对比试块和柱状对比试块二种试块。对比试块用于调整检验系统灵敏度、测试范围及评定缺陷的大小和位置。对比试块的尺寸和形状见下列图表:



本标准适用于方形、矩形、圆形等简单截面的轧制、锻造钢材(坯)低倍组织及缺陷的超声波检验。也适用于其他钢制备件、坯料的缺陷检验。


本标准适用于超声波脉冲反射法检验直径20-250mm的锻钢轧钢棒,也适用于高温合金棒。

本标准适用于碳钢和合金钢试块的制作和质量控制,以用于检验这些材料,但也适用于制备其它类型材料的试块,如镍基合金,钛合金、铝合金等。
钢对比试块,既适用于直接接触,也适用于水浸的脉冲反射超声波检验方法,用于制作对比试块的材料其声衰减应于被检验材料相适配。


本标准适用于对直径或对边距为10mm-280mm圆形,矩形,方形和正六边形铜合金棒材以及直径或对边距为10mm-80mm圆形,矩形,方形和正六边形紫铜棒材的超声波探伤。液浸法探伤和双晶直探头接触法探伤采用平底孔对比试块,单晶直探头接触法探伤采用短横孔对比试块。
