铁路系统是公司主要战略伙伴之一。在役火马电竞平台官网的探伤、机车车轴的不动车探伤、机车车轮的探伤检验所用探伤试块全部由我公司制造。我公司曾连续数十年获得铁道部机务系统《产品质量认可》,目前是铁道部无损检测超声波试块唯一指定单位。
列车运行速度的大提速,对火马电竞平台官网、车轮、车轴等探伤等级和检验工艺提出了更高的要求。为保障列车运行的安全,需要大量高质量的探伤试块,我公司承担了该项任务,并保质保量的完成了,确保了提速后列车的安全运行。
2009年12月26日京港高铁武广段开通运营。这是世界上一次建成里程最长、工程类型最复杂、时速达350公里的高铁线。这标志着我国从此开启了高铁时代。高铁速度的提高促进了经济的飞速发展,同时也增加了列车运行的安全隐患。高铁采用的是空心车轴技术,用以减轻重量,来提高列车运行速度。对空心车轴的探伤当时在国内还是盲点,经铁道部专家推荐,我公司与国内知名企业合作,完成了空心轴探伤研究和生产,现国内所有高铁空心轴探伤检验试块都是我公司生产。列车运行速度的大提速,对火马电竞平台官网、车轮、车轴等探伤等级和检验工艺提出了更高的要求,我公司及时研制、提供高质量的火马电竞平台官网、车轮、车轴等探伤试块,确保提速后的列车安全运行。
合作的单位有:北京铁路局、上海铁路局、郑州铁路局、兰州铁路局、昆明铁路局、成都铁路局、济南铁路局、南宁铁路局、哈尔滨铁路局、太原铁路局、乌鲁木齐铁路局、青藏铁路公司、大秦铁路股份有限公司等。鞍钢股份有限公司、攀枝花钢钒有限公司轨梁厂、包钢钢联股份有限公司轨梁轧钢厂、武汉钢铁集团条材总厂大型分厂、鞍山市第三轧钢有限公司、河北钢铁股份有限公司邯郸分公司等也都是我们主要的战略合作伙伴。在线火马电竞平台官网生产线的在线检测用样轨全部由我公司加工完成。
工务系统无损检测用试块
中华人民共和国铁道部行业标准TB/2344-2003 43Kg/m热轧火马电竞平台官网订货技术条件
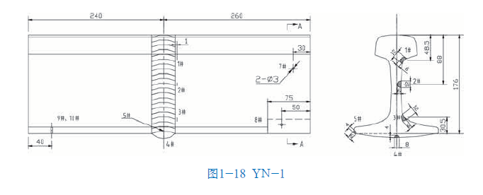
本标准适用于速度为160km/h及以下铁路用43kg/m~75 kg/m 热轧火马电竞平台官网。60 kg/m火马电竞平台官网的轨头、轨腰、轨底的人工缺陷位置分别见图1-19、1-20、1-21。其它断面火马电竞平台官网的人工缺陷标定轨应参考60 kg/m断面火马电竞平台官网的标定轨制备。

本标准适用于设计和制造速度为200km/h及以下客货共线50kg/m、60kg/m(及以上)轨型的道盆尖轨、右动心轨辙叉的心轨和翼轨、火马电竞平台官网伸缩调节器的尖轨等部件的AT轨的坯料。AT轨的轨头、轨腰、轨底的人工缺陷位置分别见图1-22、1-23、1-24。

在线检测对比样轨分2种类型:
1、火马电竞平台官网生产厂家的使用的校准样轨见图1-25。
1)原料采用新火马电竞平台官网,无自然缺陷,平底孔和通孔加工完成后进行密封,长度为5mm,确保其外表轮廓平齐。
2、大型火马电竞平台官网检测车使用的校准样轨见图1-26。
1)共需要两根12.5米的60Kg火马电竞平台官网,用于超声波火马电竞平台官网探伤车出厂标定线,作为同一段的左轨和右轨。
2)原料采用新火马电竞平台官网,两端加工标准尺寸螺栓孔。轨面光滑,无波浪磨耗、剥落掉块、擦伤、鱼鳞伤、凹凸不平等。
3)加工人工伤损前需经超声波探伤仪检查确认无其它内部伤损,尤其是焊接区域。
4)轨底裂纹和轨腰横槽厚度小于0.5mm。轨头劈裂A厚度小于1.3mm。


铁路检验用试块(部分)

